Обзор и тестирование ноутбука DELL Studio XPS 16

22:07, 21.04.2011

Компания Dell решила разнообразить линейку ноутбуков серии Studio XPS новыми конфигурациями на основе новеньких процессоров Intel, что непременно поднимет очередной интерес к этой серии мобильных систем, ведь она на рынке уже достаточно давно. Сама серия включает в себя достаточно необычные мультимедийные ноутбуки, вобравшие в себя элегантный облик от серии Studio и высокую производительность от XPS, что в свою очередь делает их «изюминкой», возможности которой мы и рассмотрим в сегодняшнем обзоре.

DELL Studio XPS 16

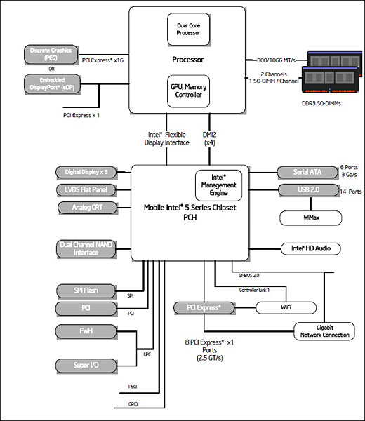
«Сердцем» для тестируемого ноутбука DELL Studio XPS 16 служит двухъядерный процессор Intel Core i3-350M, построенный на весьма успешной и производительной микроархитектуре Nehalem, которая, как известно, имеет множество технологических особенностей. Одной из них является интегрированное на кристалл процессора графическое ядро Intel Graphics Media Accelerator HD (Intel GMA HD), работающее на частоте 500 МГц (максимум 667 МГц в режиме Turbo), и обеспечивающее комфортный уровень воспроизведения видео высокой четкости. Второй особенностью стоит отметить наличие технологии Intel Hyper-Threading, которая позволяет каждому ядру процессора одновременно выполнять две операции, иначе говоря, Intel Core i3-350M способен работать с четырьмя потоками информации. Кроме этого процессор поддерживает и такие технологии как Intel Smart Cache, Intel Virtualization Technology (VT-x), Intel 64, Idle States, Enhanced Intel Speedstep Technology, Thermal Monitoring Technologies, Intel Fast Memory Access, Intel Flex Memory Access и Execute Disable Bit.

Процессор Intel Core i3-350M произведен по 32-нанометровому технологическому процессу. Рабочая тактовая частота составляет 2,26 ГГц. Системная шина DMI работает со скорость 2,5 ГТ/с, что соответствует пропускной способности в 10 ГБ/с. Объем кэш-памяти третьего уровня равен 3 МБ. Максимальное энергопотребление процессора не превышает 45 Вт.

Кстати, контроллер памяти, теперь, также является интегрированным в процессор. Он обеспечивает поддержку двухканальной памяти DDR3 с частотой 800 или 1066 МГц. Максимальный объем оперативной памяти может составлять 8 ГБ.

Помимо интегрированного ядра Intel GMA HD ноутбук DELL Studio XPS 16 оснащен и дискретным видеоадаптером ATI Mobility Radeon HD 4670, который позволяет существенно расширить графические возможности системы. Частота графического процессора в номинальном режиме равна 675 МГц, в то время как чипы памяти DDR3 работают при 800 МГц. Объем видеопамяти составляет 1024 МБ, чего должно быть предостаточно для практически любых задач. Графический адаптер обеспечивает полноценную поддержку DirectX 10.1, ShaderModel 4.1 и OpenGL 3.2 и имеет 320 потоковых процессоров. Среди фирменных технологий стоит отметить поддержку таких как: ATI Hybrid Graphics Technology (обеспечивает возможность одновременной работы интегрированного графического процессора совместно с дискретным), ATI PowerPlay Technology (включает режим пониженного энергопотребления при бездействии или минимальном использовании графического процессора), ATI CrossFireX Multi-GPU Technology (позволяет объединить производительность нескольких графических процессоров) и ATI Avivo HD (обеспечивает полную поддержку видео высокой четкости с разрешением 1080p).

Роль чипсета выполняет «набор» микросхем Intel HM55 Express, обязанности которого значительно сократились при новой микроархитектуре. Теперь его основная задача заключается в управлении вводом/выводом информации, для чего используются 8 линий PCI Express 2.0, 14 портов USB 2.0, 6 портов SATA с возможностью создания RAID-массивов уровней 0/1/5/10 и порта eSATA. Кстати, для защиты информации предусмотрена возможность отключения и включения портов USB и SATA. В Intel HM55 Express, помимо интегрированного модуля управления Intel Management Engine (обеспечивает осуществление контроля тактовой частоты и температуры), присутствует поддержка новой технологии Intel Anti-Theft (Intel AT), которая позволяет блокировать компьютеры в случае их утери или кражи.

Внешний вид, расположение элементов, эргономика

DELL Studio XPS 16

Элегантный внешний вид ноутбука, выполненный в фирменном дизайне и наполненный декоративными элементами из алюминия и по заявлению производителя натуральной кожи, способен подчеркнуть солидность каждого владельца, что особенно проявляется при черной расцветке корпуса. Но при этом корпус, выполненный из магниевого сплава, не обременяет обилием прямых линий, что придает ноутбуку универсальности.

Помимо классического черного исполнения, ноутбук также можно найти в белом и красном цветовых решениях.

DELL Studio XPS 16

Система крепление крышки ноутбука с основанием, состоящая из двух петель, весьма тугая даже при открытии двумя руками, не говоря уже о попытке справиться с задачей одной, зато беспокоиться о непроизвольном открытии крышки не стоит. Раскрыв ноутбук, перед нами предстает его рабочая область, к которой применены такие же материалы, как и при оформлении внешней части, поэтому следить за презентабельностью ноутбука придется вдвойне.

DELL Studio XPS 16

С фронтальной стороны можно увидеть инфракрасный датчик, расположенный в правой части, и блок индикаторов, с противоположной стороны.

DELL Studio XPS 16

На тыльной стороне ноутбука расположен отсек для батареи и достаточно крупное вентиляционное отверстие.

DELL Studio XPS 16

С правой стороны расположен оптический привод со щелевой загрузкой дисков, порт USB/eSATA, к которому можно подключить внешние диски, а также порт IEEE 1394a и разъем DC-in для адаптера питания. Также здесь присутствуют кард-ридер и слот для карт расширения ExpressCard.

DELL Studio XPS 16

С левой стороны можно увидеть порт VGA, разъем RJ45 для сетевого кабеля, разъем DisplayPort, разъем HDMI, два разъема USB 2.0 и три разъема mini-jack (два линейных выхода и микрофонный вход). Здесь же расположен и замок Kensington, позволяющий защитить ноутбук от злоумышленников.

С обеих сторон в шарнире находятся светодиодные индикаторы, отображающие состояние батареи. При полном заряде они постоянно светятся белым цветом. При переходе в сон начинают мигать. А во время работы от батареи индикаторы мигают поочередно, меняя цвет с белого на оранжевый и обратно.

DELL Studio XPS 16

Перевернув ноутбук можно добраться к его «начинке», предварительно открутив единственную панель. Здесь же находятся четыре резиновых ножки, которые приподымают ноутбук и тем самым открывают доступ воздуха к вентиляционным отверстиям. А сдвинув пружинный фиксатор, можно изъят батарею из отсека.

Дисплей, вэб-камера, устройства ввода

DELL Studio XPS 16

Отображение информации обеспечивает широкоформатный 15,6-дюймовый ЖК-дисплей, радующий глаза качеством цветопередачи и детализации картинки, в большей степени за счет светодиодной подсветки и разрешения Full HD (1920x1080). К тому же дисплей идеально плоский за счет отсутствия привычной рамки вокруг матрицы. Дополнительной изящности придает использование глянцевого покрытия, которое между тем предотвращает выцветание картинки на солнце, но никак не избавляет от появления характерных бликов. Также стоит отметить, что дисплей имеет достаточно неплохие углы обзора.

На кромке над дисплеем находится фиксированный модуль 2-мегапиксельной веб-камеры и два цифровых направленных микрофона, обеспечивающих хорошее качество записи звука.

DELL Studio XPS 16

В ноутбуке используется весьма удобная клавиатура, оснащенная подсветкой, которая позволяет без проблем работать даже в темное время суток. Конечно, минусом такой клавиатуры является однотонное полупрозрачное обозначение, из-за чего появляется вероятность перепутать клавиши. Сама клавиатура имеет полноразмерные клавиши, но не имеет отдельного цифрового блока. Клавиши удобны, а их ход достаточно мягкий и тихий.

Над клавиатурой находится достаточно узкая пластиковая вставка, на которой слева находится подсвечиваемая клавиша включения ноутбука, а справа блок дополнительных клавиш. Клавиши сенсорные и практически все предназначены для управления мультимедийными проигрывателами. С их помощью можно включить/выключить беспроводные модули, промотать назад или запустить предыдущий файл, остановить проигрывание, запустить проигрывание/поставить на паузу, промотать вперед или запустить следующий файл, включить или выключить звук, уменьшить и увеличить громкость, а также изъять диск из оптического привода. А так как вставка имеет глянцевое покрытие, то вытирать собирающиеся на ней отпечатки приходится довольно часто.

Установленный тачпад имеет комфортные размеры и хорошую чувствительность, благодаря чему при управлении курсором проблем не возникает, к тому же имеется и поддержка «мультинажатий». Для быстрой прокрутки документов присутствует отдельная полоска у правой кромки панели. Ниже находятся две стандартные клавиши, которые, как и клавиатура, оборудованы подсветкой.

Акустика

Звуковая подсистема ноутбука DELL Studio XPS 16 состоит из двух динамиков, которые расположены по бокам от клавиатуры и накрыты черной металлической сеточкой, и низкочастотного динамика спереди снизу. Получаемый на выходе звук приятный для слуха, он чистый и имеет объемное звучание. Наличие НЧ динамика дает возможность получать хоть какое-то удовлетворение при прослушивании любимых композиций, но все же, если есть желание и необходимость, то всегда можно подключить внешнюю аудиосистему или наушники.

Блок питания и аккумулятор

Используемые элементы питания, как обычно для этого производителя, собственного производства и имеют характерные особенности. Блок питания DELL DA90PE1-00 (90 Вт, 19,5 В, 4,62 А) оборудован специальный резиновым ремешком, которым можно зафиксировать лишнюю длину шнура, а в штекере установлен светодиод, загорающийся при подключении к сети. При автономной работе ноутбук начинает черпать энергию из 6-элементной литиево-ионной батареи DELL U011C (11,1 В, 56 Вт*ч), оборудованной индикатором уровня заряда.

Тестирование

Для сравнительного тестирования производительности мы использовали несколько популярных пакетов, а полученные результаты сравнили со следующими ноутбуками:

  • ASUS M50Vn (Intel PM45, Intel Core 2 Duo P8600 @ 2400 МГц, NVIDIA GeForce 9650M GT 1024 МБ, 2 x 2 ГБ DDR2-800, Hitachi HTS543232L9A300 (320 ГБ, 5400 RPM, SATA-II));
  • HP Pavilion dv7 3010er (Intel PM55, Intel Core i7-720QM @ 1733 МГц, NVIDIA GeForce GT 230M 1024 МБ, 2 + 2 ГБ DDR3-1333, 2 x Hitachi HTS723232L9A360 (320 ГБ, 7200 RPM, SATA-II));
  • Acer Aspire 6920G (Intel PM965, Intel Core 2 Duo T8100 @ 2083 МГц, NVIDIA GeForce 9500M GS 512 МБ, 2 + 2 ГБ, WDC WD3200BEVT-22ZCT0 (320 ГБ, 5400 RPM, SATA-II)).

«Начинка» ноутбука DELL Studio XPS 16 обеспечивает очень высокий уровень производительности, которой будет достаточно для практически любых современных приложений, как простых офисных, так требовательных графических.

Накопители

При помощи программы HD-Tune мы получили полную характеристику дисковой подсистеме ноутбука, которая основывается на жестком диске WDC WD3200BJKT-75F4T0 емкостью 320 ГБ со скорость вращения шпинделя 7200 об/мин.

Для работы с оптическими носителями используется привод TSSTcorp DVD+-RW TS-T633C, способный без проблем работать с большинством существующих типов дисков CD и DVD.

Чтобы определить насколько хорошо данный оптический привод справляется с коррекцией ошибок в разных случаях, были использованы:

Старый CD-диск с сильно поцарапанной поверхностью

Достаточно сильно поцарапанный DVD-диск

Двухслойный DVD-диск с бракованным вторым слоем

Тепловыделение и шум

Работу установленной системы охлаждения во время работы с офисными программами практически не слышно, но как только происходит запуск более требовательных программ, особенно хорошо использующих графическую составляющую, то система охлаждения сразу же дает о себя знать, и ее становится весьма хорошо слышно.

А вот температурный режим ноутбука оставляет желать лучшего, т.к. во время тестов процессор разогревался до 65-75 градусов по шкале Цельсия, хотя стоит учитывать температуру в лаборатории, которая в момент тестирования составляла 29 градусов. Так или иначе, ноутбук показывает себя достаточно горячим, особенно это заметно на днище, разогреваемом вплоть до 45 градусов. Так что в жаркие дни для DELL Studio XPS 16 желательно использовать дополнительное охлаждение.

Автономная работа

Для замера времени автономной работы ноутбука использовалась программа Battery Eater, позволяющая произвести замер в нескольких режимах:

Режим

Время, мин

Максимальная нагрузка

70

Минимальная нагрузка

229

Восстановление заряда

150

По полученным результат нельзя сказать, что ноутбук способен обеспечить высокую мобильность, но и не стоит забывать о его достаточно мощной «начинке». Так, на штатной 6-элементной литиево-ионной батарее емкостью 56 Вт*ч ноутбук при максимальной нагрузке смог проработать всего 1 час 10 минут. При минимальной нагрузке время автономной работы увеличилось до 3 часов 49 минут. Для восстановления заряда батареи требуется порядка двух с половиной часов.

Итоги

Ноутбук DELL Studio XPS 16, сочетающий в себе элегантный дизайн серии Studio и мультимедийные возможности серии XPS, способен стать достойным помощником любому пользователю и в любое время суток, за счет использования подсветки для клавиатуры и тачпада. Его мощная «начинка» обеспечивает высокий уровень производительности, которой достаточно практически для всех приложений, а благодаря дисплею высокой четкости и хорошей аудиосистеме можно с удовольствием просматривать любимые фильмы в Full HD качестве. Из недостатков можно выделить лишь не очень большое время автономной работы, ощутимый нагрев при высокой нагрузке и необходимость частого ухода за глянцевыми поверхностями и монитором.

Достоинства:

  • Элегантный дизайн, использующий вставки из алюминия и натуральной кожи;
  • Достаточно удобные элементы управления, оснащенные подсветкой;
  • Высокая производительность;
  • Отличный дисплей с разрешением Full HD;
  • Достаточно хороший набор коммуникационных разъемов;
  • Наличие специального чехла, который можно использовать как салфетку.

Недостатки:

  • Обилие глянцевых поверхностей;
  • Малая продолжительность автономной работы;
  • Достаточно высокий уровень нагрева.
Автор: Сергей Черноиван 
Источник: Easycom.com.ua

Обсуждение статьи

Коментариев пока никто не оставил. Станьте первым!
:)8-):cry:=-):-D:angry::-[:(:devil:,)
укажите цифры с картинки
 

купить телефон в Одесі, Україна

eStore – інтернет-магазин Apple