Huawei запатентувала нову технологію стереографічної 3D-проєкції

13:43, 31.01.2023

Компанія Huawei отримала новий патент на технологію стереографічної проєкції, що може стати економічно ефективною та вигідною як для бізнесу, так для кінцевого споживача.

За інформацією Патентного відомства Китаю, патент був поданий Huawei 27 липня 2022 року під номером CN202211090428, а отриманий 20 січня 2023 року. Категорією патенту зазначено «Система стереографічної проєкції, проєкційна система та спосіб передачі».

Стереографічна проєкція — це спосіб допомогти людині усвідомити, що на екрані перед нею саме тривимірне зображення, тобто відновити третю координату з двовимірного зображення. В такій проєкції промені, як і площини, можуть бути зображені, а будь-який кут можна виміряти безпосередньо з проєкції завдяки графічній техніці.

За технологією стереографічної проєкції два зображення — для лівого і для правого ока — проєктуються одночасно. Частота проєкції становить 60 кадрів на секунду для кожного ока.

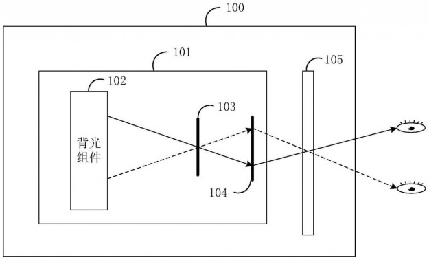
Стереоскопічна проєкційна технологія Huawei складається з блока підсвічування, просторово-часового модулятора світла й екрана-дифузора. Просторовий модулятор світла може проєктувати два окремих зображення на екран-дифузор під різними кутами. Використовуючи той самий просторовий модулятор світла, можна знизити вартість стереоскопічної проєкційної системи, що робить її економічно ефективним рішенням.

Детальна патентна інформація вказує, що ця технологія переважно орієнтована на стереоскопічні проєкційні системи. Їх можна буде застосовувати для перегляду 3D-фільмів удома.

Джерело: SmartPhone.ua


Обговорення новини

Коментариев пока никто не оставил. Станьте первым!
:)8-):cry:=-):-D:angry::-[:(:devil:,)
укажите цифры с картинки
 

Попередні новини


купить телефон в Одесі, Україна

eStore – інтернет-магазин Apple